Máy lạnh (hay điều hòa) là thiết bị được sử dụng phổ biến trong đời sống hiện đại ngày nay: từ các hộ gia đình, văn phòng, các trung tâm thương mại… Tuy nhiên, sơ đồ nguyên lý hoạt động của máy lạnh thì khá phức tạp và ít người biết tới. Hãy cùng Thanh Kim Long tìm hiểu các thông tin về cấu tạo và nguyên lý làm lạnh của máy lạnh qua bài viết dưới đây nhé!

Cấu tạo máy lạnh
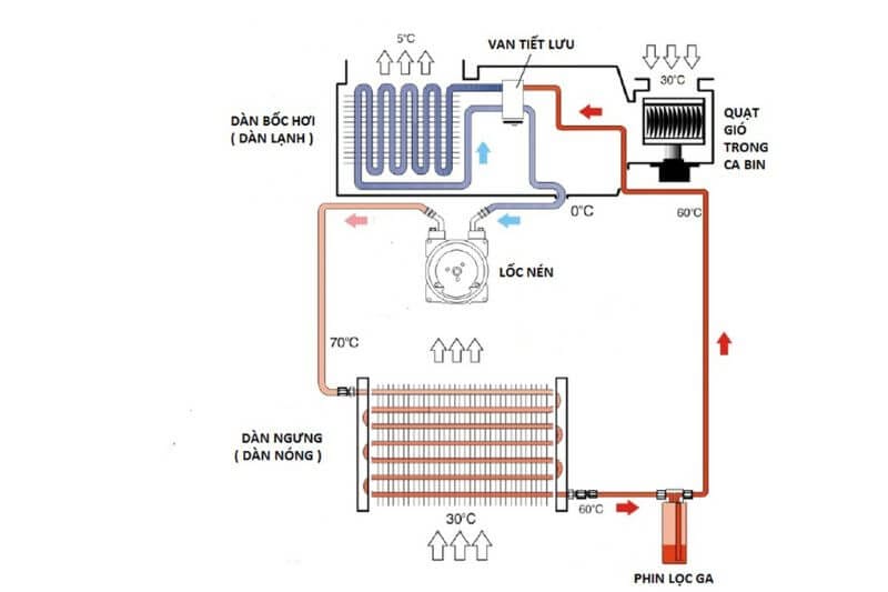
Dàn lạnh: là bộ phận mà chúng ta nhìn thấy trực tiếp trong phòng. nhiều lá nhôm tản nhiệt, các lá nhôm này được đan dày đặc và bao quanh bên ngoài ống đồng có chứa môi chất lạnh bên trong. Dàn lạnh có nhiệm vụ hấp thụ nhiệt trong phòng để làm mát không khí. Ngoài ra, bên trong dàn lạnh còn có các bộ phận như mặt nạ, lưới lọc, cảm biến hoạt động,.cánh đảo gió dọc, đầu gió ra và cánh đảo gió ngang.
Dàn nóng: Thường được đặt ở ngoài trời, dàn nóng có nhiệm vụ thải nhiệt ra môi trường. Khi môi chất lạnh hấp thụ nhiệt từ trong phòng. Sau đó, nó sẽ được đưa đến dàn nóng và thải nhiệt ra ngoài thông qua quạt.
Máy nén: Được ví như “trái tim” của máy lạnh. Máy nén có nhiệm vụ hút môi chất lạnh ở dạng khí, nén lại thành dạng lỏng và tăng áp suất của chất lạnh.
Van tiết lưu: Bộ phận này có chức năng giảm áp suất của chất lạnh đột ngột, giúp môi chất lạnh chuyển từ trạng thái lỏng sang dạng khí.
Môi chất lạnh (gas lạnh): là một loại chất lỏng đặc biệt có khả năng hấp thụ và tỏa nhiệt rất tốt. Môi chất lạnh sẽ tuần hoàn liên tục trong hệ thống máy lạnh.
Nguyên lý hoạt động của máy lạnh
Bước 1: Khi bật máy lạnh và cài đặt nhiệt độ, các cảm biến của máy lạnh sẽ nhận thông tin và truyền dữ liệu đến bộ vi xử lý.
Bước 2: Quạt dàn lạnh bắt đầu quay, đồng thời kích hoạt máy nén và quạt dàn nóng hoạt động. Máy nén sẽ bắt đầu nén và đẩy môi chất lạnh ở trạng thái có nhiệt độ và áp suất cao đến dàn ngưng tụ.
Bước 3: Môi chất lạnh thực hiện quá trình trao đổi nhiệt. Nó đi qua dàn ngưng tụ và van tiết lưu để chuyển thành thể khí với áp suất và nhiệt độ thấp, chuẩn bị cho việc đi vào dàn lạnh.

Bước 4: Bên trong dàn lạnh, môi chất lạnh dạng thể lỏng sẽ hạ nhiệt trong phòng. Tiếp đến, quạt gió sẽ hút không khí trong phòng thông qua môi chất lạnh. Từ đó, đẩy khí mát vào phòng.
Bước 5: Sau khi môi chất lạnh đã trao đổi nhiệt với không khí trong phòng, nó sẽ chuyển từ trạng thái lỏng sang trạng thái khí. Lúc này, máy nén sẽ hút khí, đưa khí qua bầu tách lỏng để kết thúc chu trình làm lạnh. Các quy trình làm lạnh được lặp lại đến khi người dùng tắt máy lạnh.

Một số lưu ý khi sử dụng máy lạnh
Công suất máy lạnh: Lựa chọn máy lạnh có công suất phù hợp với diện tích phòng.
Vị trí lắp đặt: Tránh lắp đặt máy lạnh ở nơi có ánh nắng trực tiếp hoặc gần nguồn nhiệt.
Vệ sinh định kỳ: Vệ sinh dàn lạnh, lọc gió thường xuyên để đảm bảo hiệu suất làm lạnh.
Chất lượng gas lạnh: Sử dụng loại gas lạnh phù hợp và đảm bảo hệ thống kín để tránh rò rỉ.
Thanh Kim Long cung cấp môi chất lạnh chất lượng cao, sử dụng cho các hệ thống máy lạnh dân dụng, thương mại và công nghiệp như: R22, R410A, R32, … Tìm hiểu thêm về các sản phẩm môi chất lạnh chính hãng Thanh Kim Long tại đây.
Thanh Kim Long Co. SINCE 1994
51 Đoàn Như Hài, Phường 13, Quận 4, TP. Hồ Chí Minh
Hotline: (+84) 28 3940 0991
Website: www.thanhkimlong.vn
















